OSCILLATEUR ELECTRIQUE : CIRCUIT RC
GENERALITES
On appelle dipôle RC un dipôle formé par l’association en série d’un condensateur de capacite
C et d’un résistor de résistance R.
q étant la valeur
absolue de la charge des armatures du condensateur de capacite C,
Pour rappel, le condensateur est formé de deux plaques métalliques planes
(de surface S) en regard et distantes de e, épaisseur du diélectrique. L’espace
entre les deux plaques est rempli par le diélectrique. Lorsqu’on alimente le
condensateur par une tension U, il se charge.
La charge q acquise par l’armature
supérieure est :
q = CU
C est la
capacité du condensateur plan (exprimée en Farad, F, ou mieux, en µF ou nF) :

ε0
: permittivité du vide
εr : permittivité relative du diélectrique

MISE EN EVIDENCE DES REGIMES TRANSITOIRES
Dispositif expérimental
On réalise un circuit électrique comprenant :
-Un générateur basse fréquence (GBF) délivrant une tension en créneaux
dont les valeurs sont successivement 0V et 6V et dont la fréquence est réglée à
la valeur f=100 Hz
-Un condensateur de capacité C
-Un résistor de résistance R.

:
-Lorsque le
générateur délivre une tension positive u, la tension uC
aux bornes du condensateur augmente jusqu’à la valeur maximale uCmax=E : on dit
que le condensateur se charge.
-Pendant les phases ou le générateur délivre une
tension nulle, la tension uC décroît, puis
s’annule : le condensateur se
décharge.
Le régime est transitoire
tant que la tension aux bornes du condensateur
varie. Lorsque cette tension devient
constante, le régime permanent est atteint.
Energie
électrique emmagasinée par un condensateur
L’énergie d’un
condensateur de capacité C charge sous la tension U est donnée par la
relation :

Q en coulombs
(C)
C en farads (F)
U en volts (V)
Eel en joules(J)
Equation
différentielle d’évolution du circuit


Cette équation différentielle
de premier ordre en uC traduit
l’évolution de la tension aux bornes du condensateur
-pendant la charge :

Les solutions sont de
la forme :
-
-![]()
![]()

évolution de la tension en fonction du temps pendant la
charge.
-Pendant la décharge

Les solutions sont de la forme :

est la constante de temps du circuit (RC) :elle
donne l’ordre de grandeur de la durée de charge du condensateur

évolution de la tension en fonction du temps pendant la decharge.
ETUDE DU
CIRCUIT RC EN REGIME SINUSOÏDAL
Soit le circuit suivant :

L'ensemble est
alimenté par une tension sinusoïdale, u(t)=e(t)=Umcos(ωt +φ), de valeur efficace U et de fréquence 50
Hz.
Cette tension se décompose en deux tensions
partielles UR et Uc. La résistance et le
condensateur sont en série ; ils sont donc traversés par le même courant
d'intensité efficace I (indiqué sur le schéma).
IR = IC = I
Définition de l’impédance
Lorsqu'une portion de circuit,
alimentée par une tension alternative, se compose exclusivement de résistances,
de condensateurs et de bobines le courant est impérativement alternatif. On
appelle alors impédance le rapport U/I. Cette nouvelle grandeur est
généralement notée Z.

U est la valeur
efficace de la tension aux bornes de la portion de circuit en volts ;
I est l'intensité
efficace du courant total qui circule dans cette portion de circuit en
ampères(A)
Z est l’impédance en
ohms (Ω).
Remarques :
- L'impédance, comme la résistance et la réactance,
a pour effet de s'opposer au passage du courant électrique et de le limiter.
- La relation U = Z x I traduit la généralisation de
la loi d'Ohm en alternatif.
Tension
instantanée aux bornes d’un dipôle RC
Dans un dipôle RC, la tension et l’intensité sont des
fonctions sinusoïdales de même fréquence et présentant un déphasage φ.
Soit i(t)=Imcosωt , alors u(t)=e(t)=Umcos(ωt
+φ),
La loi d’additivité des tensions appliquée à la
figure ci-dessus donne :
u(t)=e(t) =uL+uR+uC
Soit :

En tenant compte des expressions :
Ri=RImcos ωt

On a :


Construction de Fresnel
Le courant
étant commun aux deux éléments, on le choisit comme origine des phases.
Le vecteur
, de longueur proportionnelle à la
résistance R, est porté par la direction de I (en phase).
Le vecteur
, de longueur proportionnelle à la réactance Xc=1/Cω, est perpendiculaire
à la direction de I (déphasé de –π/2).

Le vecteur, résultante des deux tensions partielles, représente la
tension appliquée U. Cette résultante est ici l'hypoténuse du triangle
rectangle. Sa longueur est proportionnelle à l'impédance Z.
- La tension aux bornes de la résistance R est en phase avec le courant
et UR = R x I.
- La tension aux bornes du condensateur C est déphasée de –π/2 avec
le courant (retard de T/4) et Uc = I/Cω.
- Les deux tensions partielles sont donc en quadrature.
Caractéristiques du dipôle série RC
·
Impédance
D’après le théorème de Pythagore,


=>

·
Déphasage
de la tension appliquée par rapport au courant.
L’angle φ est négatif :la tension
appliquée est donc en retard sur le courant.
Cet angle est tel que :

Ou encore :

Puissance moyenne consommée par le
dipôle RC
La tension étant en quadrature retard sur le
courant, : φ=-π/2 donc cos φ=0.
La
puissance moyenne P=0
EXERCICES
EXERCICE I :
On
envisage le circuit suivant constitué d'un conducteur ohmique de résistance R
et d'un condensateur de capacité C.
À
l’instant t = 0, le condensateur est chargé sous la tension U0 = 10
V.
On
notera :
•
uC la tension aux bornes du
condensateur à l'instant t, et l'on a uC(0) = U0
•
uR la tension aux bornes du conducteur
ohmique à l'instant t,
•
i l'intensité du courant à l'instant t. Cette intensité a été comptée
positivement au cours de la charge du condensateur,
• qA la
charge de l'armature A du condensateur à l'instant t.

1. Quelle relation lie uR et uC ?
2. Rappeler la relation qui lie la charge qA de
l'armature A à la tension uc.
3 .Établir la relation liant l'intensité i du courant à la
tension uc.
4. Montrer que l'équation différentielle régissant
l'évolution de uc peut s'écrire :
où
a est une constante non
nulle. Donner alors l'expression de a en fonction de R et C.
.5 En utilisant l'équation différentielle, montrer que b = 1 /RC .
EXERCICE
II :
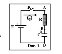
On réalise le circuit série du document 1 formé
d'un conducteur ohmique de résistance R = 1 kΩ,
d'un condensateur initialement neutre de capacité C,
d'un générateur idéal de force électromotrice E et d'un interrupteur K. On
ferme K à la date t0 = 0.

1)
Nommer le phénomène physique qui a lieu dans le circuit.
2)
Établir l'équation différentielle qui décrit l'évolution de la tension uBD = uC aux bornes du
condensateur.
3)
La solution de cette équation différentielle est :
![]()
Déterminer
les expressions des constantes A, B et τ en fonction de E, R et C.
4) La courbe du document 2 représente l'évolution de uC
avec le temps.

4.1) En
se référant au document 2, indiquer la valeur de E.
4.2) En utilisant le document 2, déterminer la
constante de temps τ du circuit.
4.3)
Déduire la valeur de C. 4.4) En utilisant le document 2, déterminer l'énergie
électrique emmagasinée dans le condensateur à t =1,4 ms.
4.5) Déduire la puissance électrique moyenne
consommée le condensateur entre t = 0 et t =1,4 ms.
EXERCICE
III :
Le
circuit électrique se compose d'un condensateur C en série avec une ampoule A,
tel que représenté ci-dessous.

Données
:
Valeur
du condensateur : C = 8,2 µF.
Caractéristiques
de l'ampoule lues sur son embase : UA = 130 V;
P = 60 W; d'où I =0,46 A et la résistance à chaud RA = 282 Ω.
La
tension appliquée U est égale à 230 V - 50 Hz.
1
- Calculer la tension Uc aux bornes du condensateur.
2
- Vérifier que la tension appliquée U n'est pas égale à la somme arithmétique
des tensions partielles Uc et UA.
3
- Calculer l'impédance Z du circuit en effectuant le rapport U/I.
4
- Recalculer la valeur de Z en appliquant une autre relation
5
- Comment peut-on justifier la légère différence entre les deux valeurs de
l'impédance Z obtenues ?
6
- Calculer le déphasage ϕ de la tension appliquée par rapport au courant.
7
- Donner en millisecondes la valeur Δt du retard
de la tension appliquée par rapport au courant.
CORRIGES
EXERCICE I :
1 Relation qui lie uR et uC : uC
+ uR = 0.
2 Relation qui lie la charge qA
de l'armature A à la tension uc : qA = C.uC
3.Relation liant l'intensité i du courant à la tension uc.

4 Equation différentielle
régissant l'évolution de uc :

EXERCICE II :
On réalise le circuit série du
document 1 formé d'un conducteur ohmique de résistance R = 1 kΩ, d'un condensateur initialement neutre de capacité C, d'un générateur idéal de force électromotrice E
et d'un interrupteur K. On ferme K à la date t0 = 0.

1) Nommer le phénomène physique qui a lieu dans le circuit.
2) Établir l'équation différentielle qui décrit l'évolution de la
tension uBD = uC aux bornes
du condensateur.
3) La solution de cette équation différentielle est :
![]()
Déterminer les expressions des constantes A, B et τ en fonction
de E, R et C.
4) La courbe du document 2 représente l'évolution de uC
avec le temps.

4.1) En se référant au document 2, indiquer la
valeur de E.
4.2) En utilisant le document 2,
déterminer la constante de temps τ du circuit.
4.3) Déduire la valeur de C. 4.4) En utilisant
le document 2, déterminer l'énergie électrique emmagasinée dans le condensateur
à t =1,4 ms.
4.5) Déduire la puissance électrique
moyenne consommée le condensateur entre t = 0 et t =1,4 ms.
EXERCICE III :
U = 230 V - 50 Hz; Condensateur : C = 8,2 µF; Ampoule : UA = 130
V; P = 60 W; I = 0,46 A; Résistance à chaud RA= 282 Ω.
1 - Calcul de la tension Uc aux bornes du condensateur :
![]()
2 - Somme arithmétique des tensions
partielles Uc et UA :
Uc
+ UA = 180 + 130 = 310 V Cette tension est très différente de la tension U qui
vaut 230 V. Les tensions partielles ne s'ajoutent pas arithmétiquement !!!
3 - Premier calcul de l'impédance du circuit :
4 - Deuxième calcul de l'impédance : Calcul de la réactance du
condensateur :

5 - La légère différence (4%) entre les deux valeurs de l'impédance
Z obtenues est due surtout au manque de précision sur la valeur de I.
6 - Calcul du déphasage ϕ de la tension par rapport au courant
:

7 - Calcul du retard Δt de la tension
appliquée par rapport au courant.
![]()