GENERATEURS
Définition :
Un générateur est un appareil qui
transforme une forme quelconque d’énergie en énergie électrique.
Symbole d’un
générateur :

Puissance
fournie par un générateur
Puissance consommée dans le circuit
extérieur
La puissance consommée entre deux points
quelconques P et N d’une portion de circuit ne comprenant pas de générateur a
pour expression :
Pe = (VP-VN)I
Puissance consommée à l’intérieur du
générateur
Les générateurs sont parois constitues
de plusieurs enroulements qui ont une résistance r appelée résistance interne
du générateur. La puissance consommée par ces enroulements est :
Pi =
rI2
Puissance fournie par le générateur
La puissance électrique consommée du
circuit fermé a donc pour expression :
P=Pe+Pi = (VP-VN)I
+ rI2
P est la puissance du générateur.
Force
électromotrice d’un générateur
Définition
On appelle force électromotrice(fem)
d’un générateur le quotient de la puissance de ce générateur par l’intensité I
du courant qu’il débite :
![]()
P en W
I en A
E en V
Expression de l’énergie
électrique fournie par un générateur
Soit E la fem d’un générateur, supposée
constante, on a :P=EI
W=Pt=EIt=EQ =>
W=EQ
E en V
W en J
Expression de
la différence de potentielle aux bornes d’un générateur
On sait que P=(VP-VN)I
+ rI2 et P=EI d’où (VP-VN)I
+ rI2=EI =>
VP-VN = E - rI
VP-VN en V
E en V
r en Ω
I en A
Remarque : VP-VN = -( VN-VP )=rI-E
rI est la chute ohmique
RECEPTEURS
Définition
On appelle récepteur tout appareil qui
consomme plus de l’énergie électrique que n’exige l’effet joule. C’est le cas
de l’électrolyseur ou l’énergie électrique est transformée en énergie chimique
et celui du moteur électrique qui transforme l’énergie électrique en énergie
mécanique.
Puissance
consommée par le récepteur
La puissance électrique totale consommée
par le récepteur a pour expression : r’I2 + P’
r’ est la résistance propre du récepteur
P’ est la puissance électrique,
numériquement égale à l’énergie chimique ou à l’énergie mécanique produite
chaque seconde dans le récepteur souvent appelée puissance du récepteur.
Force contre
électromotrice d’un récepteur
On appelle force contre électromotrice(fcem) E’ d’un récepteur le quotient de la puissance P’,
consommée dans le récepteur en plus de l’effet Joule par l’intensité I du
courant qui le traverse :
![]()
P’ en W
I en A
E’ en V
Expression de
la différence de potentielle aux bornes d’un récepteur
Puissance totale consommée dans le
récepteur : r’I2
+P’=r’I2 +E’I
Puissance aux bornes du récepteur : P=(VA-VB)I
La puissance aux bornes du récepteur est
consommée dans le récepteur : (VA-VB)I
= r’I2 +E’I d’où
VA-VB = r’I + E’
Remarque :
-Si on empêche le moteur de tourner, il
ne fournit pas d’énergie mécanique et se comporte comme une résistance morte
r’.
![]()
-Un électrolyseur à anode soluble se
comporte comme une résistance morte.
ASSOCIATION
DES GENERATEURS
Circuit
comprenant un générateur et des résistors
Loi
de Pouillet
Soit
un circuit comprenant un générateur de fem E, de résistance interne r, et un
résistor de résistance R. I est l’intensité du courant qui traverse le circuit.
On a :
Aux bornes dur
résistors, la loi d’ohm donne : VP-VN=RI
Aux bornes du
générateur : VP-VN = E-rI
Egalons les
deux expressions : E-rI= RI
E=(R
+ I)I
Cette relation
exprime la loi de Pouillet :
Dans
un circuit simple ne comprenant que des résistances mortes(résistors), le
produit de l’intensité du courant par la résistance totale du circuit est égal
à la fem du générateur.
Circuit
comprenant plusieurs générateurs en série
Les
générateurs sont groupés

Soient trois
générateurs G1, G2 et G3 de fem E1,
E2 et E3 , de résistances
internes r1,r2 et r3.
Le générateur
équivalent a pour fem E et de résistance interne r tels que :
-fem : E=E1+E2+E3
-résistance
interne : r= r1+r2+r3
Lorsque les
générateurs sont associés en série, leurs fem et leurs
résistances internes s’ajoutent.
Circuit
comprenant plusieurs générateurs identiques
En particulier,
si on associe n générateurs G de fem identiques E1 de résistances
internes identiques r1 alors :

E=nE1
r=nr1

E=E1
r=r1/n

E=nE1
R=nr1/m
Les
générateurs sont séparés par des résistors
Soit un circuit comprenant trois
générateurs (E1,r1),(E2,r2) et
(E3,r3) en série avec des
résistors R1,R2 et R3.
Un courant I circule dans le circuit. La
loi de Pouillet s’écrit : E=(R+r)I avec :
E=E1+E2+E3
r= r1+r2+r3
R= R1+R2+R3
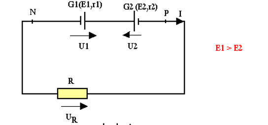
Le
circuit comprend des générateurs montes en opposition

Deux
générateurs sont dits en opposition lorsque la borne négative de l’un
est reliée à la borne négative de l’autre.
Soient
deux générateurs :
Générateur
G1 : (E1, r1), on a aux bornes de ce
générateurs : VA-VB=E1-r1I
Générateur
G2 : (E2, r2), monte en opposition, il
se comporte comme un récepteur de force
contre-électromotrice E2: VC-VB=
r2I +E2
Aux bornes A et C de l’ensemble :
VA-VC=(VA-VB)
+ (VB-VC) = E1-r1I-r2I-E2
=> VA-VC= E1 -E2 - (r1+r2)I
Ainsi lorsque deux générateurs sont
montes en opposition :
-les fem se retranchent et c’est le
générateur dont la fem est la plus grande qui impose le sens du courant ;
-les résistances internes s’ajoutent.
Le
circuit comprend des générateurs et des récepteurs
Loi
de Pouillet généralisée
Soit
un circuit simple comprenant à la fois plusieurs générateurs (dont certains
peuvent être montes en opposition), plusieurs récepteurs et plusieurs
résistors. La loi de Pouillet prend alors la forme générale :

On
parcourt la maille dans le sens de la flèche :
-U1-U2
+U3+U4+UR1+UR2+0
-(E1-r1I)-(E2-r2I)+(E3+r3I)+(E4+r4I)+R1I+R2I=0
-E1+r1I-E2+r2I+E3+r3I+E4+r4I+R1I+R2I=0
-E1
-E2 +E3 +E4+(r1 +r2 +r3
+r4+R1+R2)I=0 <=>E1
+E2 - E3 -E4 = (r1 +r2
+r3 +r4+R1+R2)I
E3
et E4 sont montées en opposition, ils fonctionnent en récepteur
=>E1 +E2 – E’3 -E’4 = (r1
+r2 +r3 +r4+R1+R2)I
![]()
Exemple d’application :
Dans le circuit exterieur d’une batterie d’accumulateur au
plomb, formee de elements
(E=2V,r=0,04Ω) associees en serie, on dispose egalement en serie, un
electrolyseur fer-soude (E’1=1,6V,r’1=4Ω), un
electrolyseur plomb-acide sulfurique (E’2=2 V,r’2=2
Ω) et un rheostat ; on demande l’intensite du courant lorsque la
resistance R du rheostat a la valeur 10Ω, les resistances des fils de
connexion sont negligeables.
Les
fem des éléments de
l’accumulateur : ![]()
La somme des fem des récepteurs :E’1+E’2=1,6+2=3,6
V
La résistance
totale :![]()
![]()
POINT
DE FONCTIONNEMENT D’UN CIRCUIT ELECTRIQUE
Lorsqu'on alimente un récepteur électrique
avec un générateur, le courant se stabilise après fermeture du
circuit et un équilibre se crée entre le générateur et le récepteur. Le point
de fonctionnement correspond à l'équilibre de la tension et
du courant de ces deux éléments

On appelle point de fonctionnement du
circuit le point de coordonnées (i, u) dans le diagramme qui permet de
tracer les caractéristiques des composants du circuit.
Pour déterminer le point de fonctionnement
correct d'un circuit, il est commode d'utiliser une méthode graphique

Quand un générateur débite dans
une charge, leurs bornes sont communes et ils sont traversés par
le même courant. Ils ont donc le même point de
fonctionnement : même tension aux bornes, même intensité. Les
coordonnées (UM, IM) du point de fonctionnement sont
celles de l'intersection M des caractéristiques du générateur et de la charge.
EXERCICES
EXERCICE
I :
1.La différence
de potentiel aux bornes d’un générateur est de 8,75 V lorsqu’il débite un
courant d’intensité 1,3 A et de 7,50 V lorsque le courant vaut 1,8 A Calculer
la fém et la résistance interne de ce générateur.
2.Un moteur électrique a une fcém E’ = 100 V et une résistance interne r’ = 4 Ω.
a) Quelle est
l’intensité de courant qui traverse le moteur, si la tension à ses bornes vaut
110 V ?
b) Quelle est la tension à appliquer pour
qu’il soit traversé par un courant d’intensité 4 A ?
EXERCICE
II :
Un moteur
électrique de résistance 0,8 Ω est parcouru par un courant de 10 A
lorsqu’il est alimenté sous une tension de 90 V.
Déterminer :
a) sa fcém ;
b) la puissance
absorbée ;
c) la puissance
utile fournie par ce moteur ;
d) son
rendement électrique.
EXERCICE III :
Un accumulateur
de fém E = 12 V et de résistance interne r = 1 Ω
alimente un moteur électrique de fcém E’ = 10 V et de
résistance interne r’ = 2 Ω. Déterminer :
a) l’intensité de courant dans le circuit ;
b) la tension
entre les bornes de l’accumulateur ;
c) la puissance utile fournie par le moteur ;
d) le rendement
du moteur.
EXERCICE IV :
Un générateur
(E = 12 V; r = 0,1 Ω) alimente un moteur de
pompe (E' = 6 V; r' = 0,5 Ω).
a) Quelle sera l'intensité de courant dans le
circuit, si le moteur est directement relié au générateur ?
b) Il peut arriver qu'un caillou bloque la
pompe (le moteur ne tourne plus). Quelle sera alors l'intensité de courant ?
c) Au-delà
d'une intensité de 12 A, le moteur risque de se détériorer. Quelle résistance
minimale R faut-il brancher en série, pour qu'en cas de blocage, l'intensité ne
dépasse pas la valeur limite ?
EXERCICE V :
Une cellule à
électrolyse a une fcém E’ = 1,6 V et une résistance
interne r’ = 0,1 Ω.
a) On applique
une tension U1 = 2,1 V. Calculer l’intensité I1 du
courant qui traverse la cellule à électrolyse.
b) On veut que
l’intensité du courant soit I2 = 8 A. Quelle est la tension U2
à appliquer ?
c) Calculer dans
le cas
-la puissance
électrique reçue par la cellule ainsi que la puissance dissipée par effet
Joule.
-En déduire le
rendement de la transformation d’énergie dans l’électrolyseur.
-On veut que la
puissance électrique consommée par l’électrolyseur soit de 15,5 W. Quelle
tension faut-il appliquer ?
EXERCICE
VI :
Une batterie
d'accumulateurs au plomb de force électromotrice E=12,4V et une résistance
interne r = 0,05Ω Lorsqu'on actionne le démarreur, elle débite un courant
d'intensité I=150 A pendant 2,0s de fonctionnement.
1. Quelle est
la tension aux bornes de la batterie :
- Lorsqu’elle ne débite aucun courant ?
- Lorsqu’on
actionne le démarreur.
2. Lorsqu'on
actionne le démarreur, calculer :
- L'énergie électrique cédée par la batterie
- L'énergie chimique convertie
- L'énergie
dissipée par effet Joule
EXERCICE VII :
Un générateur
de f.é.m. E = 6 V et de résistance interne r = 2 Ω est associé en série
avec un électrolyseur de f.c.é.m. E’ = 2 V et de résistance interne r’ = 0,1
Ω.
1. Donner
l’expression de l’intensité du courant I dans ce circuit en fonction de E, E’,
r, r’. Calculer I.
2. Exprimer
littéralement puis calculer :
a. la puissance
électrique engendrée par le générateur
b. la puissance
disponible aux bornes du générateur et fournie au circuit,
c. la puissance
utile, utilisée par l’électrolyseur pour réaliser l’électrolyse,
d. la puissance
perdue par l’électrolyseur. A quel effet est due cette perte ?
3. Définir et calculer le rendement de
l’électrolyseur.
EXERCICE VIII :
Une génératrice
de courant continu convertit une puissance mécanique de Pm= 1,86 kW en énergie
électrique. La tension à ses bornes est de 112 V et elle débite un courant
d’intensité 14,2 A.
1. Calculer la puissance électrique fournie
par cette génératrice.
2. Calculer la
puissance dissipée par effet Joule.
3. Quelles sont
la f.é.m. de la génératrice ainsi que sa résistance interne ?
4. Sous forme d’un schéma, faire un bilan
d’énergie de cette génératrice en termes de puissance.
CORRIGES
EXERCICES
EXERCICE
I :
1. VP-VN = E - rI
8,75 = E - 1,3r
7,50= E - 1,8r
On trouve E= 12 V et
r=2,5Ω
2.
a) U = r’I
+ E’ => I=(U-E’)/r’ = (110-100)/4=10/4=2,5 A
b) U = r’I + E’
= 4x4 +100=116 V
EXERCICE
II :
a) sa
fcém ; U = r’I +
E’ =>E’=U-r’I=90 - 0,8x10=82 V
b) la
puissance absorbée : Pjoules= rI2
= 0,8(10)2 =80 W
c) la
puissance utile fournie par ce moteur : Putile=Precue - Pjoule=UI-
rI2=900-80=820 W
d) son
rendement électrique : ρ=![]()
EXERCICE III :
Un
accumulateur de fém E = 12 V et de résistance interne
r = 1 Ω alimente un moteur électrique de fcém
E’ = 10 V et de résistance interne r’ = 2 Ω. Déterminer :
a) l’intensité de courant dans le circuit ;
![]()
b) la
tension entre les bornes de l’accumulateur ; VP-VN = E - rI=12-1x0,66=12-0,66=11,33
V
c) la
puissance utile fournie par le moteur ; Pu=E’I=10x0,66=66 V
d) le
rendement du moteur. ρ=![]()
EXERCICE IV :
a) ![]()
b) En cas de blocage, Il ne fournit plus de
l’énergie mécanique et se comporte comme un simple résistor :E’=0
=>
![]()
c) En
cas de blocage, E’=0 La loi de Pouillet s’écrit :
E= (Rmin
+r+r’)I => Rmin=
[E-(r+r’)I]/I=E/I
-r-r’=12/12 -0,1-0,5=1-0,6=0,4Ω
EXERCICE V :
a) U1=E’+r’I1=>I1=(U1-E’)/r’=(2,1-1,6)/0,1=5 A
b)
U2=E’ +r’I2 =1,6+0,1x8=1,6+0,8=2,4 V
c) la
puissance électrique reçue par la cellule ainsi que la puissance dissipée par
effet Joule.
Pj=r’I22=0,1x82=6,4
W
-Putile=Precue - Pjoule=U2I2-
rI2=2,4x8-6,4=12,8 W
ρ=![]()
-P =UI =>U=P/I=15,5/8=1,94 V
Merci de votre visite
Laissez un commentaire