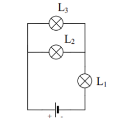
Un circuit est dit en série lorsque chaque appareil est branché sur l’entrée du suivant. Dans un tel circuit, la mise hors circuit accidentel (panne) d’un récepteur (exemple la lampe) ou volontaire empêche le fonctionnement des autres car le circuit est ouvert, le courant ne le traverse plus.

Circuit de trois lampes en série.
Considérons le montage ci-dessous :


Dans un montage en série, l’intensité du courant est la même dans toutes les branches du circuit.
Considérons le circuit ci-dessous
![]()

Dans un montage en série, la tension aux bornes du générateur est sensiblement égale à la somme des tensions qui existe aux bornes des différents éléments du circuit : C’est la loi d’additivité des tensions.
Un circuit est dit en dérivation lorsque, le courant issu du générateur se partage pour alimenter les récepteurs. Dans un tel circuit la mise hors service d’une lampe n’empêche pas le fonctionnement des autres. C’est ce genre de circuit que l’on réalise dans les installations domestiques (maisons).

Circuit de deux lampes en dérivation.
Dans un montage en parallèle, l’intensité du courant débité par le générateur est la somme des intensités de courant qui circule dans chaque branche, c’est la loi des nœuds.
Considérons le montage ci-dessous :
![]()

Loi des nœuds : « dans un montage en dérivation, l’intensité du courant principal fourni par le générateur est égale à la somme des intensités des courants dérivés ».
Mesure de la tension électrique dans un montage en dérivation.
Considérons le montage ci-dessous :

V=V1=V2
Dans un montage en dérivation, la tension aux bornes du générateur est sensiblement égale à la tension aux bornes de chaque récepteur.
Remarque :
Les appareils de mesures utilisés sont parfois polarisés (+, -) ou (rouge, noir). Lors de leur utilisation, relié la borne (+) ou rouge à celle positive du générateur et la borne (-) ou noir à la borne négative du générateur.
CORRIGES
EXERCICE I :
Une pile fournit une tension de 4,5 V.
1. Quelle est l’unité de la tension ?
2. Si deux piles de 4,5 V sont branchées en série, quelle est la tension totale ?
3. Et si elles sont branchées en dérivation (parallèle)
EXERCICE II :
Dans un circuit, trois ampoules sont branchées en dérivation. L’intensité totale mesurée par l’ampèremètre est de 0,6 A.
L’intensité dans la branche 1 est de 0,2 A, et dans la branche 2, elle est de 0,1 A.
1. Quelle est l’intensité dans la 3e branche ?
2. Vérifie la loi d’additivité de l’intensité.
EXERCICE III :
Dans un circuit en série, on branche trois résistances :
- R1 = 5 Ω
- R2 = 10 Ω
- R3 = 15 Ω
1. Calcule la résistance totale (équivalente).
2. Si la tension aux bornes du circuit est 6 V, quelle est l’intensité du courant ?
EXERCICE IV: Considérons le circuit en dérivation ci-dessous :


EXERCICE V : Considérons le montage ci-dessous :
![]()

On peut lire sur les ampèremètres I = 2,5 A, et I2 = 0,75A, calculer l’intensité I1 ?
EXERCICE VI: Considérons le circuit ci-dessous
![]()

Soit le schéma ci-dessus, on lit sur les voltmètres U = 15V et U1 = 8V, calculer U2 ?
EXERCICE VII :Soit le montage suivant :

La tension aux bornes aux bornes du générateur vaut 12V et la tension aux bornes de la résistance vaut 8,5V.
1. Préciser la nature de ce montage (série ou dérivation)
2. Indiquer le sens conventionnel du courant.
3. Combien vaut la tension aux bornes de la lampe ?
EXERCICES VIII: Soit le montage suivant :

Il s’agit d’une pile de 5V et la tension aux bornes de L1 est de 3V
1.Indique le sens du courant dans chaque branche.
2.quelles sont les tension U2 et U3 aux bornes de chaque lampe L2 et L3 ?
3.On dévisse la lampe L1. Quelles sont les tensions U2 et U3 aux bornes de chaque lampe L2 et L3 ?
EXERCICE IX :

Merci de votre visite
Laissez un commentaire